
型号含义


产品特点

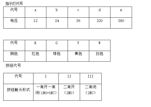
如选2、3个以上开关时,请连续标注开关组合符合,
例如:选3个开关应写为:A/B/C;
对所选的灯、钮、开关、表注明技术参数。
产品特色
外壳采用ZL102铝合金压铸成型,表面高压静电喷塑或采用玻璃纤维增强不饱和聚酯树脂压制而成,具有外形美观、耐腐蚀、抗静电、耐冲击及热稳定性好等优良性能;
具有防水、防尘等性能;
按钮、开关、指示灯、电流表等组成多种功能,由用户自由选择;
电流表量程由用户指定。
订货须知
1、请注明所需产品完整名称型号、防爆标志及数量;
2、特殊要求,定制产品,需电话咨询沟通后下单。
注:
1、以上参数仅供参考,具体数据以产品铭牌或相关产品说明书为准;
2、因公司发展需要,产品在不断更新,如有更改,恕不另行通知。
防爆电气行业实力派厂家
我们承诺为客户提供最好的服务。
★我们的销售团队具有专业的产品知识和丰富的应用经验。他们乐观热情,为您提供最周到的服务。
★无论您在收到货后对我们的产品有什么疑问,我们的售后服务团队都会耐心为您解答,及时为您解决问题。

专业品质安全梦想
依托南阳防爆电气优势,集防爆电气专家于一体,以高新技术,倾力打造国内防爆电气。大量实验设备,坚持开拓创新,研发出一批高新技术产品。
技术方案精良
累计为上千客户量身定制合适的防爆产品解决方案,专业工程师,根据客户行业需求不同,提供非标设计。因为我们更专业,所以产品更安全。
企业实力保障
近二十载耕耘防爆电气行业,经验丰富,以高质量的产品满足客户,以优质水平作为永续经营的动力,诚信服务企业。
一条龙服务
24小时快速处理,一年免费售后。我们的客户服务会给您提供专业的咨询和解答!24小时响应机制,随时为您排忧解难。
防爆操作柱系列(IIB、II C)

关键词:
防爆操作柱系列(IIB、II C)
所属分类:

全国咨询热线:
售后服务电话:0377-63878816
防爆空调:13937720599
防爆箱柜:13937708299
其他防爆:13937702199
公司邮箱:nysanhe@sina.com
公司地址:河南省南阳市卧龙区龙祥路冯楼工业区二排7号
SAF Coolest v1.3.1.2 设置面板 GAGSD-AGYF-JASFE-ZXD
无数据提示
Sorry,当前栏目正在更新中,敬请期待!
您可以查看其他栏目或返回 首页